第一種電気工事士 過去問
令和7年度(2025年) 下期
問8 (一般問題 問8)

このページは閲覧用ページです。
履歴を残すには、 「新しく出題する(ここをクリック)」 をご利用ください。

問題

第一種電気工事士試験 令和7年度(2025年) 下期 問8(一般問題 問8) (訂正依頼・報告はこちら)

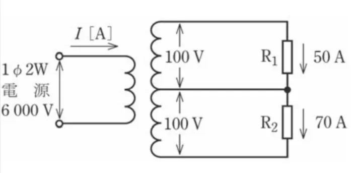
図のような配電線路において、抵抗負荷R1に50A、抵抗負荷R2には70Aの電流が流れている。変圧器の一次側に流れる電流I[A]の値は。
ただし、変圧器と配電線路の損失及び変圧器の励磁電流は無視するものとする。
問題文の画像
  • 1
  • 2
  • 3
  • 4

次の問題へ

正解!素晴らしいです

残念...

この過去問の解説 (2件)

01

変圧器に関する計算問題です。

 

電圧を任意に変化できる配電線路必須のアイテムです。

変圧器内部での損失を無視すると、一次側の電力と二次側の電力は等しくなります

つまり、電力は電圧×電流であることから、電圧を高くすれば、その分電流は小さくなります。

これが大事になってきます。

 

【考え方】

 

まずは電圧、電流がわかっている二次側からみていきます。

上側の巻線は100Vで50Aの電流が流れていることから、電力は100×50=5000Wとなります。

同様に、下側の巻線では100Vで70Aの電流が流れていることから、電力は100×70=7000Wとなります。

 

よって、二次側の電力の合計値は5000+7000=12000Wとなります。

 

この電力がそのまま一次側から送られてきます。エネルギー保存ですね。

 

次に一次側の電流値は、電力=電圧×電流より、変形して

 I=電力/電圧=12000/6000=2

よって、I=2Aとなります。

 

【解答】

2A

選択肢2. 2

正解です!

参考になった数32

02

変圧器の一次側に流れる電流値を求める問題です。

二次側の負荷1に50A、負荷2に70Aであり、そこにかかる電力は、100V×(50+70)A₌12000V・Aになります。

一次側の電圧が6000Vなので、電力は一律なので12000V・A/6000V₌2Aとなります。

選択肢1. 1

誤:計算結果と異なります。

選択肢2. 2

正:計算結果と合致します。

選択肢3. 3

誤:計算結果と異なります。

選択肢4. 4

誤:計算結果と異なります。

まとめ

変圧器に関する問題でした。

変圧器ですから、一次、二次で電圧は変化するようになっていますが、電力は一定になります。

それが分かれば、あとは計算で求まります。

参考になった数2