第一種電気工事士 過去問
令和7年度(2025年) 上期
問43 (配線図問題 問3)

このページは閲覧用ページです。
履歴を残すには、 「新しく出題する(ここをクリック)」 をご利用ください。

問題

第一種電気工事士試験 令和7年度(2025年) 上期 問43(配線図問題 問3) (訂正依頼・報告はこちら)

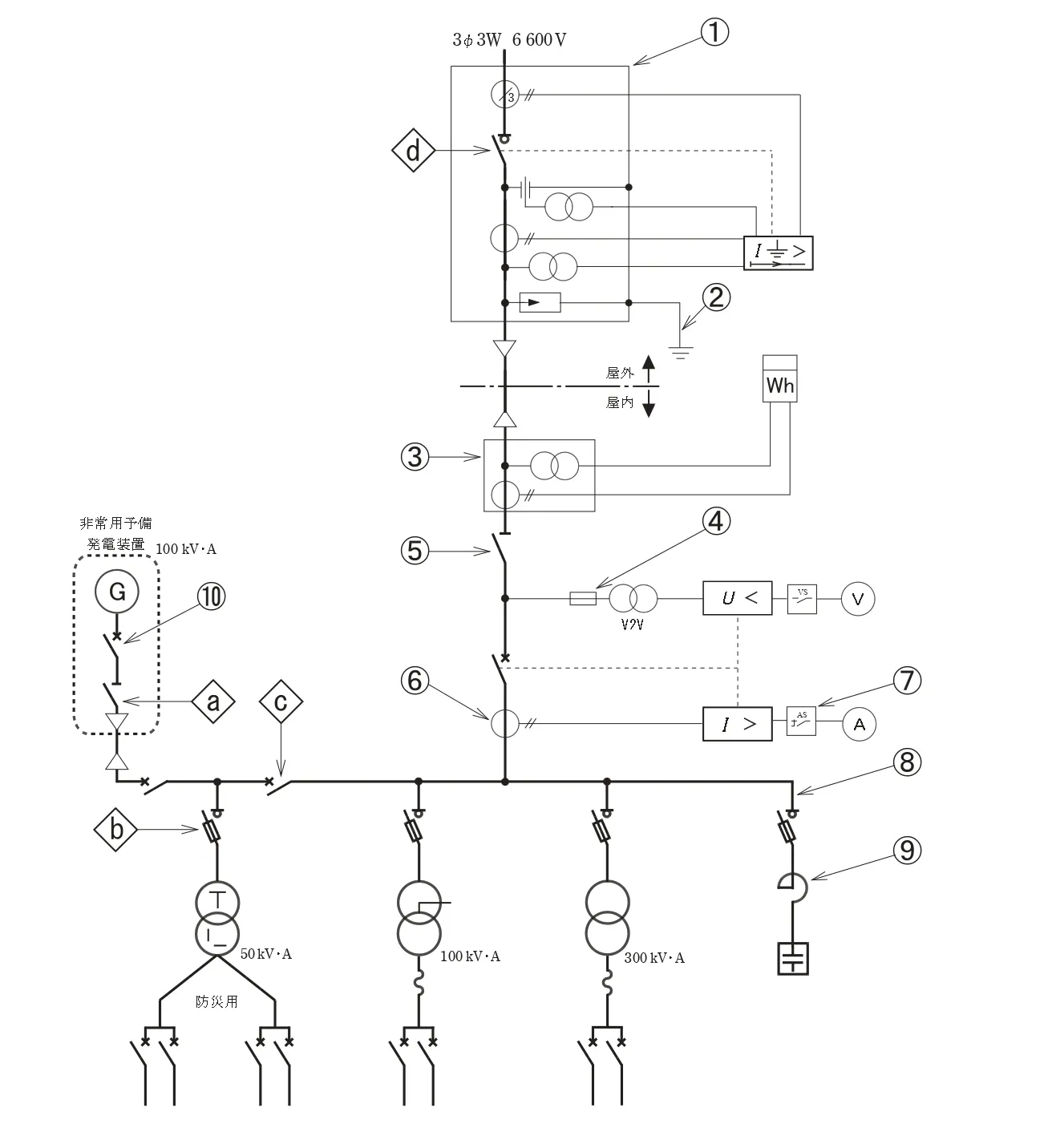
図は、高圧受電設備の単線結線図である。この図の矢印で示す10箇所に関する各問いには、4通りの答えが書いてある。それぞれの問いに対して、答えを1つ選びなさい。
〔注〕図において、問いに直接関係のない部分等は、省略又は簡略化してある。

③で示す機器の文字記号(略号)は。
問題文の画像
  • VTT
  • VCT
  • MCB
  • VCB

次の問題へ

正解!素晴らしいです

残念...

この過去問の解説 (1件)

01

単線結線図に示す機器の文字記号(略称)を問う問題です。

③の機器は電力需給用計器用変成器という機器で略称はVCTになります。

選択肢1. VTT

誤:VTTという略称は該当しません。

選択肢2. VCT

正:③の機器は、VCTになります。

選択肢3. MCB

誤:MCBという略称は該当しません。

選択肢4. VCB

誤:VCBは、真空遮断機の略称になります。

まとめ

略称に関する問題でした。

似たようなものがありますが、実際は使用方法が全く異なるものもありますので注意しましょう。

参考になった数11