第一種電気工事士 過去問
令和4年度(2022年) 午後
問8 (一般問題 問8)
問題文
このページは閲覧用ページです。
履歴を残すには、 「新しく出題する(ここをクリック)」 をご利用ください。
問題
第一種電気工事士試験 令和4年度(2022年) 午後 問8(一般問題 問8) (訂正依頼・報告はこちら)
- 1
- 2
- 3
- 4
正解!素晴らしいです
残念...
MENU
あ
か
さ
た
な
は
ま
や
ら
あん摩マッサージ指圧師
1級管工事施工管理技士
1級建築施工管理技士
1級電気工事施工管理技士
1級土木施工管理技士
運行管理者(貨物)
2級ファイナンシャル・プランニング技能士(FP2級)
3級ファイナンシャル・プランニング技能士(FP3級)
貸金業務取扱主任者
危険物取扱者(乙4)
給水装置工事主任技術者
クレーン・デリック運転士
ケアマネジャー(介護支援専門員)
国内旅行業務取扱管理者
社会保険労務士(社労士)
大学入学共通テスト(国語)
大学入学共通テスト(地理歴史)
大学入学共通テスト(公民)
大学入学共通テスト(数学)
大学入学共通テスト(理科)
大学入学共通テスト(情報)
大学入学共通テスト(英語)
第三種電気主任技術者(電験三種)
宅地建物取引士(宅建士)
調剤報酬請求事務技能認定
賃貸不動産経営管理士
2級管工事施工管理技士
2級建築施工管理技士
2級電気工事施工管理技士
2級土木施工管理技士
JLPT(日本語能力)
建築物環境衛生管理技術者(ビル管理士)
問題文
このページは閲覧用ページです。
履歴を残すには、 「新しく出題する(ここをクリック)」 をご利用ください。
第一種電気工事士試験 令和4年度(2022年) 午後 問8(一般問題 問8) (訂正依頼・報告はこちら)
正解!素晴らしいです
残念...
この過去問の解説 (3件)
01
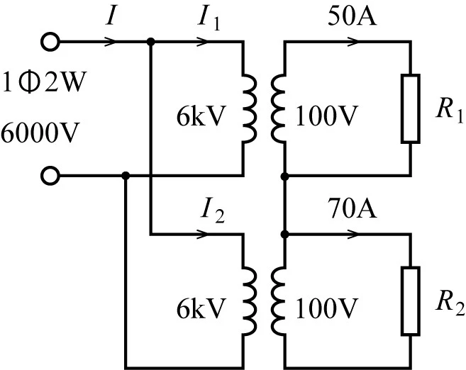
変圧器に関する問題については、損失などがない限り、1次側と2次側の電力は等しくなります。
(そうしないと変圧にならないので)
また、電力は電圧と電流を掛けたものになります。計算すると2次側の電力は
100×50+100×70=12000[W]
よって一次側の電流Iは
P=VI=6000×I=12000[W]より
I=2[A]
となります。
こちらが正解となります。
電力が双方で等しいことだけわかっておけば難しくないと思います。
参考になった数66
この解説の修正を提案する
02
1次側と2次側で消費される電力は同じのためP=IVで解くことができます。
1次側P1=6000IW
2次側P2=100×50+100×70=12000W
従ってP1=P2なので値を代入するとI=2Aとなります。
計算ミスをしたとしてもこの答えは出ません。
正解になります。
計算ミスをしたとしてもこの答えは出ません。
2次側をP2=200×(50+70)=24000Wで計算をするとこの値が出ますが誤りです。
この問題の別解としては巻数比α=V1/V2=I2/I1で解くこともできます。
※V1は1次側電圧でV2は2次側電圧を示します。Iは電流で同じく1次側2次側を示します。
これに当てはめて考えるとV1/V2=I2/I1でI1について整理すると同様の答えが出ます。2次側電圧は100Vと考えますので間違わないようにしましょう。
参考になった数23
この解説の修正を提案する
03
共通の一次巻線から2つの二次巻線へ変圧するように接続された配電線路に関する問題です。
この変圧器は、2つの変圧器を、1次側は並列に、2次側は直列に接続した配電線路と等価です。この等価回路において、抵抗R1が接続された変圧器では、
6000 × I1 = 100 × 50
の関係が成り立ちます。ただし、I1 はこの変圧器の1次側の電流です。同様に、抵抗R2が接続された変圧器では、一次側の電流をI2とすれば、
6000 × I2 = 100 × 70
の関係が成り立ちます。これらの関係から、
I1 = 5/6 [A]
I2 = 7/6 [A]
となり、求める電流は、
I = I1 + I2 = 12/6 = 2 [A]
となります。
誤った値です。
正しい値です。
誤った値です。
誤った値です。
1次側の電力6000 × 2 = 12 [kW]と2次側の電力100 × 50 + 100 × 70 = 12 [kW]は等しくなります。
参考になった数0
この解説の修正を提案する
前の問題(問7)へ
令和4年度(2022年) 午後 問題一覧
次の問題(問9)へ