第一種電気工事士 過去問
令和4年度(2022年) 午後
問7 (一般問題 問7)

このページは閲覧用ページです。
履歴を残すには、 「新しく出題する(ここをクリック)」 をご利用ください。

問題

第一種電気工事士試験 令和4年度(2022年) 午後 問7(一般問題 問7) (訂正依頼・報告はこちら)

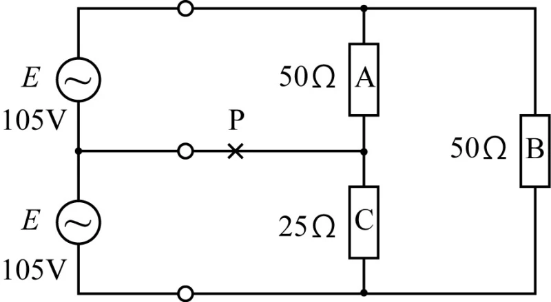
図のような単相3線式電路(電源電圧210/105V)において、抵抗負荷A(50Ω)、B(50Ω)、C(25Ω)を使用中に、図中の×印のP点で中性線が断線した。断線後に抵抗負荷Aに加わる電圧[V]の値は。
ただし、どの配線用遮断器も動作しなかったとする。
問題文の画像
  • 10
  • 60
  • 140
  • 180

次の問題へ

正解!素晴らしいです

残念...

この過去問の解説 (3件)

01

単相3線式の中性点が切断した場合の問題はたまに出題されますが、単純に(抵抗2つの直列)と(抵抗一つ)の並列回路が出来上がるだけです。本問題ではACとBの並列回路が出来上がります。

電圧が210[V]でRAC=50+25=75[Ω]に流れる電流は210/75=2.8[A]です。

それにRA=50[Ω]を掛ければ電圧VAが求まります。

VA=IAC×RA=2.8×50=140[V]

選択肢1. 10

全体として210[V]がかかるので、そこまで低い値にはなりません。

選択肢2. 60

誤りです。

選択肢3. 140

こちらが正解となります。

選択肢4. 180

全体として210[V]なので、そこまで高い値にはなりません。

まとめ

時間に余裕があれば等価回路を描いてみるのが一番安全です。

そうすれば単純な合成抵抗の問題になっているのが分かるかと思います。

参考になった数42

02

回路を見た時に難しく感じるかもしれませんが、こういった回路の場合書き直すことで分かりやすくまた計算ミスも防げます。

問題の図の左の線からRSTと名称をつけます。

S線が断線しているのでRとTの単相2線式200Vの回路となります。

抵抗AとCで直列回路を構成し、A+CとBが並列回路になることが分かります。

電圧はA+C部分とB部分で等しいため同じく210Vです。

あとは分圧の法則で問題を解きます。

V=A/(A+C)×210=140Vとなります。

選択肢1. 10

計算ミスをしたとしてもこの答えは出ません。

選択肢2. 60

計算ミスをしたとしてもこの答えは出ません。

選択肢3. 140

正解になります。

選択肢4. 180

計算ミスをしたとしてもこの答えは出ません。

まとめ

回路を書き直すことと分圧の法則で計算時間の短縮化を図ることが大事なポイントです。

参考になった数13

03

単相3線式電路の断線に関する問題です。回路図を描いて断線後の抵抗Aの両端の電圧を求めればよいです。

 


図はこの配線を回路図で表したものです。断線がないときは、抵抗Aの両端は電路に接続されて、その電圧は105Vとなっています。ここで、P点が断線すると、抵抗Aの一端が電路からはずれ、抵抗Cを介して電路に接続されるようになります。このため抵抗Aと抵抗Cが直列に210Vの電路に接続された形になるので、抵抗Aの両端の電圧は、


 VA = 210 × 50/(20 + 25) = 140 [V]

になります。

選択肢1. 10

値が異なります。

選択肢2. 60

値が異なります。

選択肢3. 140

正しい値です。

選択肢4. 180

値が異なります。

まとめ

単相3線式電路は、105Vの同相の電源が2つ直列に繋がったものであり、その両端を接続すれば210V、片方を中間点に変えれば105Vの電圧が得られます。図をよく見て、負荷がどのようにつながっているかに注意しながら回路図に書き出してみれば、問題が整理できます。

参考になった数1