第一種電気工事士 過去問
令和7年度(2025年) 下期
問1 (一般問題 問1)

このページは閲覧用ページです。
履歴を残すには、 「新しく出題する(ここをクリック)」 をご利用ください。

問題

第一種電気工事士試験 令和7年度(2025年) 下期 問1(一般問題 問1) (訂正依頼・報告はこちら)

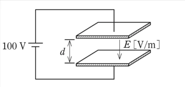
図のような平行平板キャパシタにおいて、電極間に100Vの電圧を加えたとき、電極間に何も挟んでいない(空気)キャパシタ内の電界の強さE[V/m]は。
ただし、電極間の距離d=1×10−3m、平行平板間の電界は平等電界とする。
問題文の画像
  • 1×102
  • 1×103
  • 1×104
  • 1×105

次の問題へ

正解!素晴らしいです

残念...

この過去問の解説 (2件)

01

コンデンサの電界に関する問題です。

 

電界とは電気の力がはたらく空間のことで、E[V/m]で表されます。

+の電荷と-の電荷を近づけると互いに引き付け合う力がはたらきますが、この電界によるものです。

 

式としては

 E=V/d

となりますが、これを知らなければ難しいと思います。

 

テクニックとして、式を知らない場合は単位から推測する方法があります。

電界Eの単位が[V/m]なので、

 

"V[V]をd[m]で割れば求まるのでは...?"

 

という感じで正解を導くことができる場合があります。

 

【解答】

E=V/d=100/(1×10-3)=1×105

 

1×105 V/m

選択肢4. 1×105

正解です!

参考になった数65

02

平行平板キャパシタ内の電解の強さを求める問題です。

電極間に100Vの電圧を加えた時で、電極間は1×10-3mあります。

その時の電解の強さE〔V/m〕は、100/1×10-3になります。

よって、1×105V/m になります。

選択肢1. 1×102

誤:計算結果と異なります。

選択肢2. 1×103

誤:計算結果と異なります。

選択肢4. 1×105

正:計算結果と合致します。

まとめ

平行平板キャパシタ間の電界の強さと求める問題でした。

単位からも分かる通り、電圧と電圧間の距離の商で求まります。

参考になった数14