第一種電気工事士 過去問
令和4年度(2022年) 午前
問37 (一般問題 問37)
問題文
このページは閲覧用ページです。
履歴を残すには、 「新しく出題する(ここをクリック)」 をご利用ください。
問題
第一種電気工事士試験 令和4年度(2022年) 午前 問37(一般問題 問37) (訂正依頼・報告はこちら)
- 0.1
- 0.2
- 0.4
- 1
正解!素晴らしいです
残念...
MENU
あ
か
さ
た
な
は
ま
や
ら
あん摩マッサージ指圧師
1級管工事施工管理技士
1級建築施工管理技士
1級電気工事施工管理技士
1級土木施工管理技士
運行管理者(貨物)
2級ファイナンシャル・プランニング技能士(FP2級)
3級ファイナンシャル・プランニング技能士(FP3級)
貸金業務取扱主任者
危険物取扱者(乙4)
給水装置工事主任技術者
クレーン・デリック運転士
ケアマネジャー(介護支援専門員)
国内旅行業務取扱管理者
社会保険労務士(社労士)
大学入学共通テスト(国語)
大学入学共通テスト(地理歴史)
大学入学共通テスト(公民)
大学入学共通テスト(数学)
大学入学共通テスト(理科)
大学入学共通テスト(情報)
大学入学共通テスト(英語)
第三種電気主任技術者(電験三種)
宅地建物取引士(宅建士)
調剤報酬請求事務技能認定
賃貸不動産経営管理士
2級管工事施工管理技士
2級建築施工管理技士
2級電気工事施工管理技士
2級土木施工管理技士
JLPT(日本語能力)
建築物環境衛生管理技術者(ビル管理士)
問題文
このページは閲覧用ページです。
履歴を残すには、 「新しく出題する(ここをクリック)」 をご利用ください。
第一種電気工事士試験 令和4年度(2022年) 午前 問37(一般問題 問37) (訂正依頼・報告はこちら)
正解!素晴らしいです
残念...
この過去問の解説 (3件)
01
ここでいう「電気設備の技術基準の解釈」は14条のことであり、本件について
「絶縁抵抗測定が困難な場合においては、当該電路の使用電圧が加わった状態における漏洩電流が、1mAであること」と書いてあります。
ややこしいのは、電気設備技術基準で、低圧電路での設ける抵抗値が
「300V超…0.4MΩ、300V以下...0.2MΩ、150V以下…0.1MΩ」という条件があり、数値がよく似ているのでこちらと混同しないように注意ということでしょうか。
mAを聞いている問題なので、抵抗値(MΩ)と混同しないように注意。
mAを聞いている問題なので、抵抗値(MΩ)と混同しないように注意。
mAを聞いている問題なので、抵抗値(MΩ)と混同しないように注意。
こちらが正解となります。
簡単な問題ですが、混同だけは注意してください。
参考になった数46
この解説の修正を提案する
02
過電流遮断器で区切られる電路毎では1mAです。
1000mA=1Aで単位も覚えて置きましょう。
また0.1mAも似ていますがこのような小さな値だとほぼほぼ不適合になりますので現実的ではありません。
誤りです。
誤りです。
誤りです。
正解になります。
一般の住宅では4年に一度電気の点検が入ります。
停電をして絶縁測定をするのが基本ですが、停電できない時はクランプメーターで3線一括ではさみこみ漏電電流を1mA以下か調査します。
参考になった数18
この解説の修正を提案する
03
電気設備の技術基準の解釈(20241004保局第1号、以下、電技解釈)は、
とし、その1つの項目として、
を掲げています。
電流値が小さすぎます。
電流値が小さすぎます。
電流値が小さすぎます。
正しい電流値です。
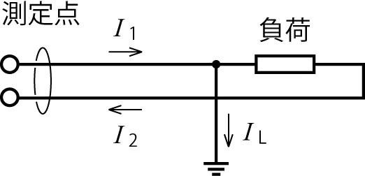
漏洩電流は、負荷電流が流れているときに、クランプ式の電流計で行き帰りの2本の電線をはさんで測定できます。図のように、漏洩電流ILがあるとき、I1 = I2 + IL が成り立つので、I1 − I2を測定することにより、ILの値がわかります。
参考になった数1
この解説の修正を提案する
前の問題(問36)へ
令和4年度(2022年) 午前 問題一覧
次の問題(問38)へ