第一種電気工事士 過去問
令和4年度(2022年) 午前
問50 (配線図問題 問10)

このページは閲覧用ページです。
履歴を残すには、 「新しく出題する(ここをクリック)」 をご利用ください。

問題

第一種電気工事士試験 令和4年度(2022年) 午前 問50(配線図問題 問10) (訂正依頼・報告はこちら)

図は、高圧受電設備の単線結線図である。この図の矢印で示す10箇所に関する各問いには、4通りの答えが書いてある。それぞれの問いに対して、答えを1つ選びなさい。
[注]図において、問いに直接関係のない部分等は、省略又は簡略化してある。


⑩で示す動力制御盤内から電動機に至る配線で、必要とする電線本数(心線数)は。
問題文の画像
  • 3
  • 4
  • 5
  • 6

次の問題へ

正解!素晴らしいです

残念...

この過去問の解説 (3件)

01

スターデルタ始動器とモーターの間の電線本数を聞かれています。

スター運転とデルタ運転でそれぞれ3本ずつ必要になります。つまり合計6本必要です。

選択肢1. 3

3本では足りません。

選択肢2. 4

4本では足りません。

選択肢3. 5

5本では足りません。

選択肢4. 6

6本が正解となります。

まとめ

イメージがわかない場合は、2019年度の過去問のシーケンス制御問題の図面をご確認ください、UVWXYZの六本の線が入っているモーターが確認できると思います。

参考になった数32

02

図はスターデルタ始動器でスター運転・デルタ運転で3本ずつ必要になり合計6本の線が必要です。

この切替はスターデルタタイマーで制御します。

選択肢1. 3

誤りです。

選択肢2. 4

誤りです。

選択肢3. 5

誤りです。

選択肢4. 6

正解になります。

まとめ

動力盤のポンプの始動で多く使用されます。

シーケンス図の問題ではUVWXYZがありそれぞれから配線が伸びています。

参考になった数11

03

動力制御盤と電動機をつなぐ配線の必要電線数を答える問題です。
 

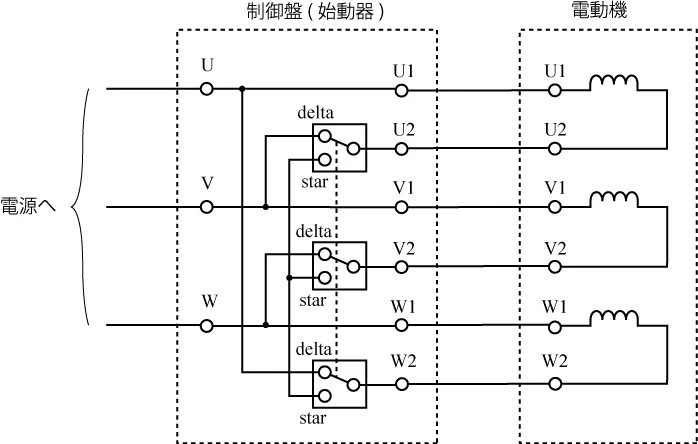
結線図の記号から、動力制御盤内の記号はスターデルタ始動器、電動機の記号は三相かご形電動機であることがわかります。これは、この電動機の始動は、スターデルタ法によることを示しています。スターデルタ法は、電動機の始動時に固定コイルをスター結線にし、回転が上昇したときに、これをデルタ結線に切り替える方法です。固定コイルをスター結線にすると、1つのコイルにかかる電圧が1/√3倍になるので、始動電流の上昇を抑えることができます。


この結線の切り替えは動力制御盤内のスターデルタ始動器で行います。三相かご形電動機は固定コイルを相ごとに持つので、各相のコイルの端子対に独立に結線できるようにしておき、始動器とこれらの端子を6本の電線で結びます。始動器は、スイッチで6本の電線と電源との接続をスター結線からデルタ結線に切り替えます。始動器の配線の例を図に示しました。スイッチが「star」側のときは、U2、V2、W2 が短絡されてスター結線になり、「delta」側のときは、U2、V2、W2 が隣りのコイルの端子に接続されるのでデルタ結線になります。始動時はスイッチを下につなぎ、電流が安定したらスイッチを上に切り替えます。

 

選択肢1. 3

必要な本数に足りません。

選択肢2. 4

必要な本数に足りません。

選択肢3. 5

必要な本数に足りません。

選択肢4. 6

必要十分な本数です。

まとめ

回路図の記号から、この電動機の始動はスターデルタ法によることを読み取ります。スターデルタ法は、始動器側に切換の機構が存在するため、始動器と電動機は6本の電線で繋ぐ必要があります。

参考になった数4